ETAP2024中文版发布
应用领域
-
计算临界故障清除时间与临界解列时间
-
短期与长期暂态仿真
-
校验发电机功角稳定性
-
评估电动机动态加速及电压暂降后恢复再加速的影响
-
识别与测试减载方案(包括优化方案及传统继电器方案)
-
计算与测试通过快速母线切换实现的负荷快速转移
-
校准与评估继电器设定值
-
发电机启动或黑启动仿真(附加模块)
-
仿真分析微网在并网、孤岛及切换模式下的运行
-
变压器励磁涌流分析
-
电网规范合规性分析(附加模块)
-
电磁暂态仿真(eMTCoSim™ 协同仿真)(附加模块)


分析功能
-
模拟励磁缺失工况
-
发电机启动过程仿真
-
发电机频率响应动作
-
通过自动准同期装置的联络断路器合闸
-
电压穿越(低电压穿越LVRT与高电压穿越HVRT)的电网新规要求动作
-
异步/同步电动机加速过程分析
-
电动执行阀(MOV)启动特性
-
电动机负荷冲击及斜坡变化影响
-
多子系统与孤岛系统处理能力
-
基于继电器设定值及系统响应的自动保护动作
-
频率估计方法(含频率继电器动作的电压闭锁功能)
-
内置传统与自适应牛顿-拉夫逊法初始潮流计算
-
相量-电磁暂态混合仿真(eMTCoSim™)(附加模块)
建模能力
-
完整的同步电机与感应电机模型
-
综合励磁系统及汽轮机/发动机-调速器模型
-
静态无功补偿器(SVC)模型
-
高压直流输电(HVDC)模型
-
标准电力系统稳定器(PSS)模型
-
同步电机(次暂态模型)与感应电机的频率相关模型
-
电压源换流器/逆变器模型
-
可再生能源与储能资源模型
-
电压、电流、频率、功率及同期检定保护继电器
-
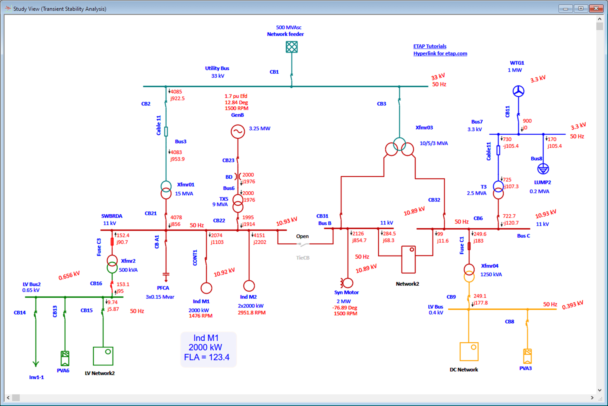
电力系统暂态稳定性与动态建模


软件功能
-
无限的事件与动作序列设置
-
用户可调控的仿真参数
-
励磁系统、自动电压调节器(AVR)、汽轮机-调速器或发动机参数设置与调整
-
母线与支路故障的故障阻抗设定
-
集成用户自定义动态模型(UDM)程序
-
逆变器充/放电状态模拟
-
可设置总仿真时间与仿真步长
-
通过跳过表格绘图加快计算速度
-
电力暂态稳定性分析报告生成
-
多类设备运行参数可视化绘图(绘图视图)
-
图形化对比不同研究分析报告结果(绘图分析器)
-
在单线图与绘图视图中实时显示分析结果
扰动与事件
三相故障和线-线故障、线-接地故障及线-线-接地故障动作
分支段故障
保护装置开合操作
发电机
-
功率设定点调整
-
电压设定点调整
-
等周期/下垂模式切换
-
励磁绕组故障
-
失磁
-
启动
电网
-
电压暂降影响与暂升/骤升
-
频率变化
电动机
-
加速/再加速
-
常规起动器起动
-
常规软起动器起动
-
常规变频驱动起动
-
负载调整
风力发电机组
-
阵风扰动
-
风功率斜坡变化
-
用户自定义风况扰动
负载阶跃与斜坡功率变化
电动调节阀起动
变频驱动频率变化

相关产品
电气原理图设计
Caneco
操作与维护
SEE Electrical
SEE Electrical Expert
SEE Gen E-doc
工程与建造
SEE Electrical
SEE Electrical Expert
SEE Electrical PLM
SEE Electrical 3D Panel
SEE Electrical 3D Shop floor
SEE Electrical Harness Manufacturing
数据与项目管理
SEE Web Catalogue
SEE Project Manager
立刻开始试用
